Daikin Luft-Wasser-Wärmepumpe Monobloc | Kühlen | Heizen.
Daikin Wärmepumpe Altherma 3 M EBLA16D3W1 | 14.5 kW | 16.0 kW | Heizstab 3 kW | 400 V
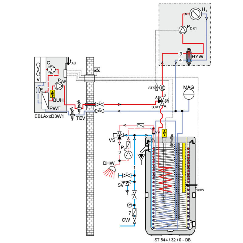
Bei der DAIKIN Altherma Wärmepumpen sind die wesentlichen Hydraulikkomponenten in dem Außengerät integriert. Dieses kann unauffällig außerhalb des Gebäudes platziert werden.
Das kompakte Gerät wird mit einem komplett geschlossenen Kältekreislauf ausgeliefert, so dass die Heizungsrohre direkt von der Wärmepumpe in das Gebäude führen.
Da nur wasserseitige Anschlüsse notwendig sind, kann die Wärmepumpe besonders einfach und schnell installiert werden. Lediglich der Wärmespeicher mit integrierter Wärmepumpensteuerung und ggf. der Reserveheizstab wird im Gebäude eingebunden.
Die Luft-Wasser-Wärmepumpen von Daikin der Serie EBLA sind Leistungsstark und geeignet für Neubau, kleinere Einfamilienhäuser, Ferienwohnungen sowie auch im Gewerbe- und Industriebereich einsetzbar. Mit einem tollen Preisleistungsverhältnis und der ausgeklügelter innovativer Technologie Punkten die Altherma Geräte auf ganzer Linie.
Mit der Altherma 3M erhalten Sie eine Wärmepumpe von Daikin die es in sich hat. Als Monoblock Variante benötigen Sie hier kein Innen-Gerät, was die Installation komfortable macht. Alle Hydraulikkomponenten sind hier in einer Einheit verbaut. Auch als Ergänzungsprodukt mit bestehenden Innengeräten auch Gaskesseln kompatible. Mit den Baugrößen 9-16 kW finden Sie immer das richtige Gerät.
Eigenschaften
Garantierter Einsatzbereich der Außengeräte bis -25°C | Einfache Aufstellung im Monoblock System. Kältemittel nur im Außengerät. Kein Kälteschein, nur wasserseitige Anschlüsse notwendig | Förderfähig mit hohem Einsparpotenzial und geringem CO² Ausstoß | Vielseitig Einsetzbar mir hohem Preisleistungsverhältnis | Umfassender Frostschutz durch optionale Frostschutzventile möglich, dadurch kein Einsatz von Glykol notwendig | Maximale Leistung und Energieeinsparung | Benutzer freundliche Bedienung und schnelle Konfiguration | Inverter gesteuerter Kompressor | inkl. Hocheffizienz Umwälzpumpe | inkl. 3 kW Backupheader | Alle Hydraulikkomponenten in einer Einheit | Leistungsstarker Doppel-Ventilator mit optimierter Form und Luftzirkulation

Online-Regler | optional
Regelung Ihres Innengeräts von jedem Ort aus über Smartphone, Laptop, PC, Tablet oder Touchscreen.

Onecta App | optional
Regeln Sie Ihr Raumklima von jedem Standort aus über Smartphone oder Tablet.
BAFA Antrag richtig ausfüllen, so einfach geht's . . . | mehr Info's zur BAFA Förderung
Technische Änderungen und Irrtümer vorbehalten ! Zwischenverkauf vorbehalten !
Der Austritt von Kältemittel trägt zum Klimawandel bei. Kältemittel mit geringerem Treibhauspotential (GWP) tragen im Fall eines Austretens weniger zur Erderwärmung bei als solche mit höherem Treibhauspotential (GWP). Ein Austreten von 1 kg dieses Kältemittels hätte somit eine dem GWP-Wert des Kältemittels entsprechend größere Auswirkungen auf die Erderwärmung als 1 kg CO2, bezogen auf hundert Jahre. Keine Arbeiten am Kältekreislauf vornehmen oder das Gerät zerlegen – stets Fachpersonal hinzuziehen.
| Produkteigenschaft | Wert |
|---|---|
| Hersteller: | Daikin |
| Kategorie: | Lagerware Waldenbuch > > > sofort versandfertig oder abholbereit |
| Artikelnummer: | 19758 |
| GTIN: | 4251459803193 |
| Kältemittel Typ: | |
| Energieeffizienz Kühlen: | |
| Energieeffizienz Heizen: | |
| Wärmepumpen | Typ: | |
| Absicherung: | |
| Fernbedienung inklusive: | |
| BAFA-Förderung: | |
| Wärmepumpen | System: | |
| BAFA SG Ready: | |
| Spannungsversorgung Aussengerät: | |
| Kältemittel GWP-Wert: | |
| Ausführung Außengerät: | |
| WiFi/WLAN Funktion: | |
| Gerätetyp: | |
| Kühl-/Heizleistung AG: | |
| Fernbedienung Typ: | |
| Einsatzbereich Kühlen: | |
| Einsatzbereich Heizen: | |
| Schalldruckpegel min.: | |
| Versandgewicht: | 30,00 kg |
| Artikelgewicht: | 149,00 kg |