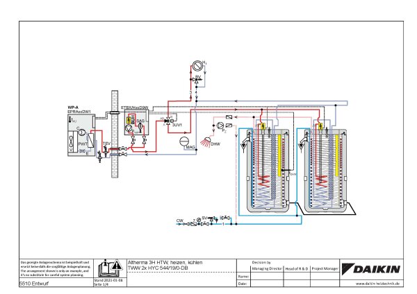
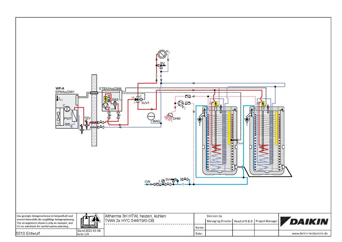
Daikin Wärmepumpen Set mit Hydromodul mit Bivalent-Funktion, Warmwasserspeicher 500 Liter und Heizstab 9 kW.
1 x Daikin Altherma Wärmepumpe 3 H MT EPRA10EW1 | 10.0 kW
Monoblock-Wärmepumpen-Außengerät als Inverter-gesteuerte Kompressor-Verdampfer-Einheit mit umweltschonendem Kältemittel R-32, wetterfestes, modernes, silbergraues Stahlblechgehäuse mit einer extrem leisen Lüftereinheit und schwarzem horizontalem Lüftungsgitter, integrierter Außentemperaturfühler.
Unabhängig von fossilen Brennstoffen ist das Heizen und Kühlen der Zukunft !
Die Wärmepumpe für Renovierung und Neubau . . .
Die Luft-Wasser-Wärmepumpe DAIKIN Altherma 3 H MT ist die optimale Lösung für die Renovierung sowie den Tausch von Gasgeräten, Ölgeräten oder sonstiger Heizsysteme , in denen eine Austrittswassertemperatur von 65 °C ausreichend ist. Mit einem Leistungsbereich in den Klassen 8 bis 12 passt DAIKIN Altherma 3 H MT auch in mittelgroße Neubauten.
Die Installation der Anlage ist dank Hydrosplit-Konzept einfach – auch für Installateure ohne Kälteschein: Das Kältemittel zirkuliert ausschließlich in dem Wärmepumpen-Außengerät, das lediglich durch wasserseitige Verbindungen mit dem Innengerät verbunden ist.
Die DAIKIN Altherma 3 H MT ist in drei Baugrößen 8, 10 und 12 erhältlich.
Hohe Leistung und Komfort
Mit einer Vorlauftemperatur von bis zu 65 °C ohne elektrische Reserveheizung ist sie für den Tausch bestehender Brennwertkessel geeignet. Ihre bereits installierten Heizkörper können Sie einfach weiternutzen. Die Inneneinheit der DAIKIN Altherma 3 H MT Luft-Wasser-Wärmepumpe ist sehr kompakt. Die Kombination mit integriertem Warmwasserspeicher ist bereits auf einer Stellfläche von nur 0,37 m² möglich.
Die DAIKIN Altherma 3 H MT ist serienmäßig mit einer integrierten Kühloption ausgestattet. In Verbindung mit einer Fußbodenheizung können Sie ohne weiteren Aufwand und zusätzliche Investitionen die Doppelfunktion für Heizen und Kühlen genießen. Dabei sind die Betriebskosten für diesen zusätzlichen Komfort gering.
Mit dem klimaschonenden Kältemittel R-32 erreicht die Wärmepumpe je nach Leistungsgröße ohne zusätzlichen Heizstab immer noch höchste Effizienz.
Garantierter Betrieb bis zu −28 °C
Daikin Altherma ist für alle Klimaregionen geeignet und bewältigt mit einem Betriebsbereich bis zu −28 °C sogar strengste Winterbedingungen
Onecta App (optional)
Regeln Sie Ihr Raumklima von jedem Standort aus über Smartphone oder Tablet.
Maximaler Komfort:
Heizen, Kühlen und Warmwasser
Flüsterleiser Betrieb der Außengeräte. Im Flüsterbetrieb nur 35 dB(A) in 3 m Abstand
Höchstleistung:
Mit bis zu 65°C Vorlauftemperatur optimal für den Austausch bestehender Brennwertkessel geeignet.
Hohe Effizienz
Herausragende Effizienz mit bis zu 70°C Systemtemperatur. 60°C Brauchwasser-Temperatur auch ohne Heizstab möglich.
Flüsterleiser Betrieb
Mit nur 35 dB(A) in drei Metern Abstand ist die DAIKIN Altherma 3 H MT besonders geräuscharm.
Einfache Installation
Kein Kälteschein notwendig. Durch den geschlossenen Kältekreislauf führen lediglich Heizungsrohre ins Gebäude.
Flexibler Einsatz
Freie Wahl zwischen Fußbodenheizung und Radiatoren. Bestehende Heizkörper können weiter genutzt werden.
Modernes Gehäuse
Die Techniker von DAIKIN haben mit den Designern zusammengearbeitet, um einen frischen Wind in das herkömmliche Außengerät zu bringen. Inspiriert durch das ausgezeichnete Design der DAIKIN Inneneinheiten, zeichnet sich dieses Außengerät durch eine attraktive Frontplatte und klare Linien aus, die sich leicht in die Umgebung einfügen.
Leistungsstarker Ventilator
Geräte mit hoher Leistung arbeiten eher mit zwei Ventilatoren, aber dieses Außengerät benötigt nur einen. Der größere Ventilator verbessert die Luftzirkulation, sodass ein niedriges Betriebsgeräusch erreicht wird.
Brandneuer Verdichter
DAIKIN Europe arbeitete mit dem DAIKIN Technology and Innovation Centre in Japan zusammen, um einen speziellen Verdichter zu entwickeln, der 70 °C warmes Wasser liefert. Diese Hochtemperatur Wärmepumpe ist zu dem die erste mit dem Kältemittel R32 betriebene Wärmepumpe ihrer Art: R32 ist ein Kältemittel mit hohem kalorischem Wirkungsgrad und niedrigem CO2 Äquivalent.
Dauerhafte Isolierung
3-Schicht-Isolierung und Gummipolster zwischen Bodenplatte und Vibrationsplatte absorbieren und isolieren die vom Verdichter während des Betriebs erzeugten Geräusche.
Effizienz und Nachhaltigkeit
Die neue Wärmepumpen-Generation von DAIKIN trägt das Bluevolution-Siegel. Damit gehört sie zu den Produkten, die mit dem zukunftsfähigen und klimaschonenden Kältemittel R-32 arbeiten. In Verbindung mit dem neuen Hocheffizienz-Kompressor erreichen die neuen Wärmepumpen mit Bluevolution Siegel die besten Effizienzwerte.
1 x Daikin Altherma 3 H MT ECH2O Hydrobox | Warmwasserspeicher ETSHB12P50E | Heizen | 500 Liter mit Bivalenzfunktion
Für Außengeräte 08, 10 und 12 kW. Inneneinheit mit integriertem Wärmespeicher für die hygienische Warmwasserbereitung im Durchlaufprinzip. Hydraulisch ausgerüstet mit Hocheffizienzpumpe, Umschaltventile für Warmwasser und Heizen/Kühlen mit integrierter Rücklauftemperaturbegrenzung für Solaranwendung, Sicherheitsbaugruppe mit elektronischem Manometer und Sicherheitsventil, Durchflusssensor sowie Füll- und Entleerungshähnen.
Integrierte Solareinheit für höchsten Komfort bei Heizen, Warmwasser und Kühlen. Wartungsfreier Speicher: keine Korrosion, keine Anode, kein Kesselstein oder keine Kalkablagerungen und keine Wasserverluste durch Sicherheitsventil.
Maximale Nutzung an erneuerbarer Energie: Wärmepumpentechnologie zum Heizen und Solarunterstützung für Raumheizen und Warmwassererzeugung. Frischwasserprinzip: hygienisches Wasser, keine thermische Legionellen-Desinfektion erforderlich.
Schneller Auslegung in 9 Schritten anhand eines Assistenten mit Farb-Benutzeroberfläche in hoher Auflösung
Mit integrierter WLAN-Funktion und SG Ready
Frisches Warmwasser
Die Struktur des Wärmespeichers gewährleistet eine optimale Wasserhygiene und vermindert das Risiko von Bakterien und Legionellen. Seien Sie versichert, dass Ihr Warmwasser frisch und sicher ist.
Solar-bereit
Nutzen Sie den Vorteil von Solarenergie. Schließen Sie Ihren Warmwasserspeicher einfach an Solarkollektoren auf dem Dach an.
Onecta App
Regeln Sie Ihr Raumklima von jedem Standort aus über Smartphone oder Tablet.
1 x Daikin Inline-Backupheater für ECH²O Innengerät. EKECBUA9W | 9 kW
Zusatzheizung für DAIKIN Altherma 3 H MT ECH2O Wärmepumpen.
Zusatzheizung für ECH2O Innengerät. Zur Unterstützung der Wärmepumpe als Backup- und Boosterheater. ann über MMI-2 stufenweise geregelt werden, Plug-&-Play-Installation (steckerfertig). Länge 550 mm.
E-Heizstab 3~ 400 V – 50 Hz / 9.000 W
Hinweis:
Zum Anschluss des Backupheaters an ein ECH2O Innengerät ist das passende Anschlussset EKECBUCO auszuwählen.
2 x Daikin Frostschutzventil AFVALVE1
ist ein thermisches Entleerungs-Ventil für die automatische Entleerung bei weniger als 4°C Mediumtemperatur. (Im Vor- und Rücklauf immer erforderlich)
1 x Daikin Anschluss-Set Inline-BUH ECH2O Innengerät | EKECBUCO1A
Zum Anschluss des Inline-BUH an ein ECH2O Innengerät für die DAIKIN Altherma 3 H HT oder 3 H MT.
1 x Daikin Zirkulationsbremsen SKB | 165070
Zur Vermeidung von Schwerkraft- Zirkulationen in am Speicher angeschlossenen Wasserkreisläufen, geeignet bis 95 °C, zum Einbau in alle speicherseitigen Wärmetauscher-Anschlüsse außer Drucksolar-Wärmetauscher.
Typ: SKB
1 x Daikin SAS2 Schlamm- & Magnetitabscheider.
Kompakter Schlammabscheider mit Ablasshahn, Einbau waagerecht und senkrecht möglich, Eingang G1-IG, Augnag G1-IG
Der Schlamm und Magentitabscheider SAS2 dient der Entfernung von Verunreinigungen, Schlamm und magnetischen Partikeln aus wasserführenden Systemen. Durch Korrosion von Metallbauteilen entstehen Rostpartikel und feinste Schlämme, die vom Wasser mitgetragen werden. Leider können diese Feststoffe zu Schaden an beweglichen Bauteilen oder zu einer Minderung der Effizienz durch Verschlammung führen. Mit dem Schlamm- und Magnetitabscheider entfernen Sie zirkulierende, magnetische und nicht magnetische Partikel. Selbst Schlämme werden aus dem Wasser gefiltert. Dies trägt zu einem sicheren Schutz von Wärmetauscher, Speicher und Pumpe bei.
Eine Installation der Abscheider fällt leicht von der Hand. Sie können die Abscheider waagerecht und senkrecht einbauen.
Die Eingangsschlüsse haben ein Gewinde von G1-IG und die Ausgangsanschlüsse ebenfalls ein Gewinde von G1-IG. Der Schlamm- und Magnetitabscheider ist kompakt und mit einem Ablasshahn ausgestattet.
1 x Daikin Überströmventil UESV 25 DN 25 mit Verschraubung in Eckform | 140116
Überströmventil mit Verschraubung in Eckform. Notwendiges Bauteil für Modelle mit Kühlfunktion, um den Mindestdurchfluss am Innengerät zu gewährleisten.
UESV 25 mit DN 25
Technische Änderungen und Irrtümer vorbehalten ! Zwischenverkauf vorbehalten !
Der Austritt von Kältemittel trägt zum Klimawandel bei. Kältemittel mit geringerem Treibhauspotential (GWP) tragen im Fall eines Austretens weniger zur Erderwärmung bei als solche mit höherem Treibhauspotential (GWP). Ein Austreten von 1 kg dieses Kältemittels hätte somit eine dem GWP-Wert des Kältemittels entsprechend größere Auswirkungen auf die Erderwärmung als 1 kg CO2, bezogen auf hundert Jahre. Keine Arbeiten am Kältekreislauf vornehmen oder das Gerät zerlegen – stets Fachpersonal hinzuziehen.
| Produkteigenschaft | Wert |
|---|---|
| Hersteller: | Daikin |
| Kategorie: | Zu den Sets |
| Artikelnummer: | 20894 |
| GTIN: | 4251459801526 |
| Gerätetyp: | |
| Kältemittel Typ: | |
| Energieeffizienz Heizen: | |
| Wärmepumpen | Typ: | |
| Absicherung: | |
| Wärmepumpen | System: | |
| WiFi/WLAN Funktion: | |
| BAFA-Förderung: | |
| Solarthermie bereit: | |
| BAFA SG Ready: | |
| Bivalenzfunktion: | |
| Spannungsversorgung Aussengerät: | |
| Speicher Volumen (l): | |
| Kältemittel GWP-Wert: | |
| Ausführung Außengerät: | |
| Kühl-/Heizleistung AG: | |
| HZG-VL/RL Anschluss: | |
| Ausführung Inneneinheit: | |
| Schalldruckpegel min.: | |
| Einsatzbereich Kühlen: | |
| Einsatzbereich Heizen: | |
| Versandgewicht: | 60,00 kg |
| Artikelgewicht: | 219,30 kg |