Daikin Altherma 3 H HT W Set Wärmepumpe | Hydormodul | Heizen | Kühlen | mit Heizstab 9 kW | 400 Volt
Daikin Altherma Wärmepumpe 3 H HT EPRA17DW17 | 400 Volt
Mit diesem Außengerät erhalten Sie ein hocheffizientes energetisches Gerät das mit einem Scroll-Kompressor und Invertertechnik ausgestattet ist. Das Gerät ist in seiner Anwendung für die Praxis selbst bei hohen minus Graden von -28C° geeignet und extrahiert selbst dann noch Wärme aus der Außenluft.
Durch diese Bauweise sparen Sie Energie und schonen die Umwelt. Mit dem neuestem umweltfreundlichen Kältemittel R-32 erhalten Sie ein Gerät was innovativ an unsere Zukunft denkt. Das moderne Gehäuse in Silber/Schwarz mit nur einer Lüftereinheit ist zudem ein angenehmer Blickfang und punktet mit seinem besonders leisem Betrieb.
Das Gerät ist in Kombination mit verschiedenen Inneneinheiten erhältlich und somit in seiner Flexibilität kaum zu Toppen, da ist für jeden Geschmack und Leistung was dabei.
Eine Steuerung von überall macht Sie unabhängig. Bedienen Sie Ihre Heizung und Kühlung allerorts vom PC, Laptop oder Smart Phone.
DAIKIN Altherma 3 H HT, AG 14kW Invertergesteuerte Luft-Wasser-Wärmepumpe mit erweitertem Modulationsbereich in Monoblock-Ausführung. Mit nur 35 dB(A) (in 3 Metern Abstand) im reduzierten Nachtbetrieb ist das Gerät flüsterleise. Für Radiatoren geeignet (70°C Vorlauftemperatur bei -15°C Außentemperatur).
Brauchwassertemperaturen von über 60°C ermöglichen eine thermische Desinfektion allein durch den Wärmepumpenbetrieb.
Kombinierbar mit den Inneneinheiten DAIKIN Altherma 3 H HT ECH2O, DAIKIN Altherma 3 H HT F und DAIKIN Altherma 3 H HT W.
Mit der Daikin Altherma Hydrosplit-Bauweise sind Sie unabhängig und benötigen keinen Kälteschein. Die Daikin Altherma Serie ist hoch modern & Technisch fein abgestimmt. Durch diese Bauweise sparen Sie Energie & schonen unsere Umwelt.
Durch das neue und umweltfreundlichen Kältemittel R-32 erhalten Sie ein Gerät was innovativ an unsere Zukunft denkt. Das moderne Gehäuse in Silber/Schwarz mit nur einer Lüftereinheit ist außerdem ein angenehmer Blickfang und überzeugt mit seinem besonders leisen Betrieb.
Das Gerät ist in Kombination mit verschiedenen Inneneinheiten erhältlich und somit in seiner Flexibilität kaum zu überbieten, da ist für jede Anforderung und Leistung was dabei. Eine Steuerung von überall macht Sie unabhängig.
Bedienen Sie Ihre Heizung und Kühlung allerorts vom PC, Laptop oder Smart Phone per W-LAN oder Internet, über das Innengerät.
Garantierter Betrieb bis zu −28°C
Daikin Altherma ist für alle Klimaregionen geeignet und bewältigt mit einem Betriebsbereich bis zu −28°C sogar strengste Winterbedingungen
Unabhängig von fossilen Brennstoffen ist das Heizen und Kühlen der Zukunft !
Ausstattung:
Hohe effiziente Leistung bis A+++ | neues unauffälliges Design das sich nahtlos in die Umgebung integriert | nur eine Lüftereinheit mit hoher Leistungsfähigkeit | besonders leiser Betrieb 38 dB(A) auf 3 m | hervorragende Funktionsvielfalt in Kombination mit verschiedenen Innengeräten | Vorlauftemperaturen 70°C bei einer Außentemperatur von 15°C | Umweltfreundliches Kältemittel R32 in geringerer Füllmenge | Inverter Technik | Für Radiatoren geeignet | Das Außengerät entzieht der Außenluft bei -28°C noch Wärme | Einfache Installation ohne Kälteschein | Thermostat in verschiedenen Farben | Daikin Eye Zugriff von Tablett, PC oder Smart Phone | Individuelle Einstellungsmöglichkeiten
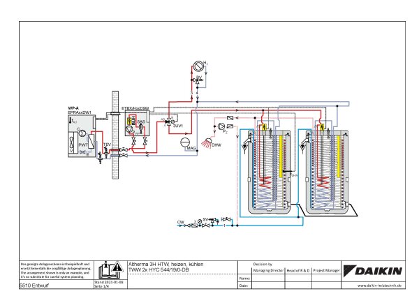
Dakin Altherma 3 H HT W Hydromodul ETBX16E9W7 mit Heizstab 9.0 kW | Heizen | Kühlen | 400 Volt
Für Außengeräte Baugröße 14, 16 und 18 (Heizen / Kühlen). Hydraulisch ausgerüstet mit Hocheffizienzpumpe, Ausdehnungsgefäß, Überströmventil, Sicherheitsbaugruppe mit Manometer, Volumenstromsensor, Füll- und Entleerungshähnen sowie Schlamm- und Magnetitabscheider. Elektrische Ausrüstung mit Lastschützen für Elektro-Zusatzheizungen 9 kW, inkl. Bedien- und Anzeigeeinheit MMI-2.
Das Daikin Eye mit übersichtlichem Farbdisplay, ermöglicht eine Steuerung von überall, ob Smartphone, Tablett oder PC steuern Sie Ihr Zuhause von wo und wann immer Sie wollen. Eine zusätzliche Reserve-Heizung garantiert zuverlässige und effiziente Heizleistung.
Mit den platzsparenden Maßen von 840 x 440 x 390 mm ist dieses Wandgerät einfach überall unter zu bringen und fügt sich nahtlos in jede Umgebung ein. Alle Hydraulikkomponenten haben einen leichten Zugriff von Vorne und sind so leicht zu erreichen. Besonders geeignet ist dieses Gerät zur Kombination mit einem Wärmespeicher. Genießen Sie die Flexibilität das dieses Wandgerät mit sich bringt !
Onecta App | WiFi | optional
Regeln Sie Ihr Raumklima von jedem Standort aus über Smartphone oder Tablet.
Eigenschaften
Da sämtliche Hydraulikkomponenten bereits enthalten sind, keine Komponenten anderer Hersteller erforderlich. | Aufgrund der kompakten Abmessungen, und da seitlich nahezu keine Freiräume belassen werden müssen, ist nur ein kleiner Installationsraum erforderlich. | Das schnittige Design des Geräts fügt sich unauffällig in das Ensemble anderer Haushaltsgeräte ein. | Kombinieren Sie dieses Gerät mit einem Speicher aus Edelstahl oder mit einem ECH2O Wärmespeicher. | Schneller Auslegung in 9 Schritten anhand eines Assistenten mit Farb-Benutzeroberfläche in hoher Auflösung
Technische Änderungen und Irrtümer vorbehalten ! Zwischenverkauf vorbehalten !
Der Austritt von Kältemittel trägt zum Klimawandel bei. Kältemittel mit geringerem Treibhauspotential (GWP) tragen im Fall eines Austretens weniger zur Erderwärmung bei als solche mit höherem Treibhauspotential (GWP). Ein Austreten von 1 kg dieses Kältemittels hätte somit eine dem GWP-Wert des Kältemittels entsprechend größere Auswirkungen auf die Erderwärmung als 1 kg CO2, bezogen auf hundert Jahre. Keine Arbeiten am Kältekreislauf vornehmen oder das Gerät zerlegen – stets Fachpersonal hinzuziehen.
| Produkteigenschaft | Wert |
|---|---|
| Hersteller: | Daikin |
| Kategorie: | Lagerware Waldenbuch > > > sofort versandfertig oder abholbereit |
| Artikelnummer: | 21445 |
| GTIN: | 4251459802103 |
| Energieeffizienz Kühlen: | |
| Energieeffizienz Heizen: | |
| Wärmepumpen | Typ: | |
| Wärmepumpen | System: | |
| BAFA-Förderung: | |
| BAFA SG Ready: | |
| Ausführung Inneneinheit: | |
| WiFi/WLAN Funktion: | |
| Ausführung Außengerät: | |
| Kühl-/Heizleistung AG: | |
| Gerätetyp: | |
| Einsatzbereich Kühlen: | |
| Schalldruckpegel min.: | |
| Einsatzbereich Heizen: | |
| Versandgewicht: | 60,00 kg |
| Artikelgewicht: | 189,00 kg |