Daikin Set | Hydrobox | Wärmepumpe | Kühlen | Heizen | Warmwasserspeicher | Solar bereit.
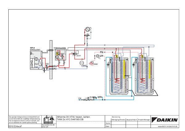
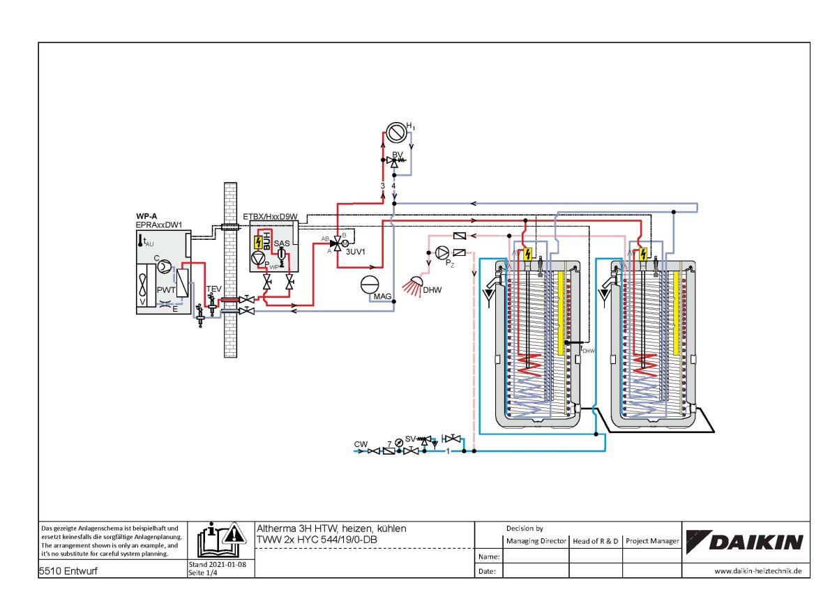
Daikin Altherma 3 H HT ECH2O Hydrobox ETSX16P50E7 | Heizen | Kühlen | Warmwasserspeicher 500 Liter
Für Außengeräte 14, 16 und 18 kW. Inneneinheit mit integriertem Wärmespeicher für die hygienische Warmwasserbereitung im Durchlaufprinzip. Hydraulisch ausgerüstet mit Hocheffizienzpumpe, Umschaltventile für Warmwasser und Heizen/Kühlen mit integrierter Rücklauftemperaturbegrenzung für Solaranwendung, integrierter Überströmung, Sicherheitsbaugruppe mit elektronischem Manometer und Sicherheitsventil, Durchflusssensor sowie Füll- und Entleerungshähnen.
Luft-Wasser-Wärmepumpen-Inneneinheit als Monoblock-System für das Außengerät DAIKIN Altherma 3 H HT - 14, 16 und 18 kW, mit integriertem 500 Liter Wärmespeicher für die hygienische Warmwasserbereitung im Durchlaufprinzip. Für Heizen, Kühlen und Warmwasser.
Hydraulisch ausgerüstet mit einer Hocheffizienzpumpe, Umschaltventilen für Warmwasser/Heizen und Heizen/Kühlen, mit integrierter Rücklauftemperaturbegrenzung für Solaranwendungen, integrierter Überströmung, Sicherheitsbaugruppe mit elektronischem Manometer und Sicherheitsventil, Durchflusssensor sowie Füll- und Entleerungshähnen.
Integrierte Komfort-Regelung DAIKIN RoCon+ mit Klartextdisplay, intuitiver Menüführung und integriertem Volumenstromsensor. Zwei verschiedene Zugriffsebenen (Bedien- und Fachmannebene), Wochenzeitschaltuhr für Heizung/Kühlung und Trinkwassererwärmung. Elektrisch komplett verdrahtet, mit Klemmleisten für Netzeinspeisung und Verbindung zum Außengerät. Anschlussmöglichkeit einer Trinkwasser-Zirkulationspumpe. Steuerung über App möglich.
Eigenschaften:
Integrierte Solareinheit für höchsten Komfort bei Heizen, Warmwasser und Kühlen. | Wartungsfreier Speicher: keine Korrosion, keine Anode, kein Kesselstein oder keine Kalkablagerungen und keine Wasserverluste durch Sicherheitsventil. | Maximale Nutzung an erneuerbarer Energie: Wärmepumpentechnologie zum Heizen und Solarunterstützung für Raumheizen und Warmwassererzeugung. | Frischwasserprinzip: hygienisches Wasser, keine thermische Legionellen-Desinfektion erforderlich. | Schneller Auslegung in 9 Schritten anhand eines Assistenten mit Farb-Benutzeroberfläche in hoher Auflösung. | Frisches Warmwasser: Die Struktur des Wärmespeichers gewährleistet eine optimale Wasserhygiene und vermindert das Risiko von Bakterien und Legionellen. Seien Sie versichert, dass Ihr Warmwasser frisch und sicher ist. | Solar-bereit: Nutzen Sie den Vorteil von Solarenergie. Schließen Sie Ihren Warmwasserspeicher einfach an Solarkollektoren auf dem Dach an. | Mit Bivalenzfunktion: Das Gerät hat einen zusätzlichen Wärmetauscher zur Einbindung eines externen Wärmeerzeugers oder Drucksolaranlagen. Die max. Heizleistung kann durch einen zweiten Wärmeerzeuger um 8kW erhöht werden.

Solar-bereit
Nutzen Sie den Vorteil von Solarenergie. Schließen Sie Ihren Warmwasserspeicher einfach an Solarkollektoren auf dem Dach an.

Onecta App | optional
Regeln Sie Ihr Raumklima von jedem Standort aus über Smartphone oder Tablet.
Frisches Warmwasser
Die Struktur des Wärmespeichers gewährleistet eine optimale Wasserhygiene und vermindert das Risiko von Bakterien und Legionellen. Seien Sie versichert, dass Ihr Warmwasser frisch und sicher ist.
Daikin Altherma Wärmepumpe 3 H HT EPRA16DW17 | 400 Volt
Mit diesem Außengerät erhalten Sie ein hocheffizientes energetisches Gerät das mit einem Scroll-Kompressor und Invertertechnik ausgestattet ist. Das Gerät ist in seiner Anwendung für die Praxis selbst bei hohen minus Graden von -28C° geeignet und extrahiert selbst dann noch Wärme aus der Außenluft.
Durch diese Bauweise sparen Sie Energie und schonen die Umwelt. Mit dem neuestem umweltfreundlichen Kältemittel R-32 erhalten Sie ein Gerät was innovativ an unsere Zukunft denkt. Das moderne Gehäuse in Silber/Schwarz mit nur einer Lüftereinheit ist zudem ein angenehmer Blickfang und punktet mit seinem besonders leisem Betrieb.
Das Gerät ist in Kombination mit verschiedenen Inneneinheiten erhältlich und somit in seiner Flexibilität kaum zu Toppen, da ist für jeden Geschmack und Leistung was dabei.
Eine Steuerung von überall macht Sie unabhängig. Bedienen Sie Ihre Heizung und Kühlung allerorts vom PC, Laptop oder Smart Phone.
DAIKIN Altherma 3 H HT, AG 16kW Invertergesteuerte Luft-Wasser-Wärmepumpe mit erweitertem Modulationsbereich in Monoblock-Ausführung. Mit nur 35 dB(A) (in 3 Metern Abstand) im reduzierten Nachtbetrieb ist das Gerät flüsterleise. Für Radiatoren geeignet (70°C Vorlauftemperatur bei -15°C Außentemperatur).
Brauchwassertemperaturen von über 60°C ermöglichen eine thermische Desinfektion allein durch den Wärmepumpenbetrieb.
Kombinierbar mit den Inneneinheiten DAIKIN Altherma 3 H HT ECH2O, DAIKIN Altherma 3 H HT F und DAIKIN Altherma 3 H HT W.
Mit der Daikin Altherma Hydrosplit-Bauweise sind Sie unabhängig und benötigen keinen Kälteschein. Die Daikin Altherma Serie ist hoch modern & Technisch fein abgestimmt. Durch diese Bauweise sparen Sie Energie & schonen unsere Umwelt.
Durch das neue und umweltfreundlichen Kältemittel R-32 erhalten Sie ein Gerät was innovativ an unsere Zukunft denkt. Das moderne Gehäuse in Silber/Schwarz mit nur einer Lüftereinheit ist außerdem ein angenehmer Blickfang und überzeugt mit seinem besonders leisen Betrieb.
Das Gerät ist in Kombination mit verschiedenen Inneneinheiten erhältlich und somit in seiner Flexibilität kaum zu überbieten, da ist für jede Anforderung und Leistung was dabei. Eine Steuerung von überall macht Sie unabhängig.
Bedienen Sie Ihre Heizung und Kühlung allerorts vom PC, Laptop oder Smart Phone per W-LAN oder Internet, über das Innengerät.
Garantierter Betrieb bis zu −28°C
Daikin Altherma ist für alle Klimaregionen geeignet und bewältigt mit einem Betriebsbereich bis zu −28°C sogar strengste Winterbedingungen
Unabhängig von fossilen Brennstoffen ist das Heizen und Kühlen der Zukunft !
Ausstattung:
Hohe effiziente Leistung bis A+++ | neues unauffälliges Design das sich nahtlos in die Umgebung integriert | nur eine Lüftereinheit mit hoher Leistungsfähigkeit | besonders leiser Betrieb 38 dB(A) auf 3 m | hervorragende Funktionsvielfalt in Kombination mit verschiedenen Innengeräten | Vorlauftemperaturen 70°C bei einer Außentemperatur von 15°C | Umweltfreundliches Kältemittel R32 in geringerer Füllmenge | Inverter Technik | Für Radiatoren geeignet | Das Außengerät entzieht der Außenluft bei -28°C noch Wärme | Einfache Installation ohne Kälteschein | Thermostat in verschiedenen Farben | Daikin Eye Zugriff von Tablett, PC oder Smart Phone | Individuelle Einstellungsmöglichkeiten
1 x Daikin Inline-Backupheater für ECH²O Innengerät | 9 kW
Zusatzheizung für DAIKIN Altherma 3 H MT ECH2O Wärmepumpen.
Zusatzheizung für ECH2O Innengerät. Zur Unterstützung der Wärmepumpe als Backup- und Boosterheater. Kann über MMI-2 stufenweise geregelt werden, Plug-&-Play-Installation (steckerfertig). Länge 550 mm.
Hinweis:
Zum Anschluss des Backupheaters an ein ECH2O Innengerät ist das passende Anschlussset EKECBUCO auszuwählen.
2 x Daikin Frostschutzventil AFVALVE1
ist ein thermisches Entleerungs-Ventil für die automatische Entleerung bei weniger als 4°C Mediumtemperatur. (Im Vor- und Rücklauf immer erforderlich)
1 x Daikin Anschluss-Set Inline-BUH ECH2O Innengerät | EKECBUCO1A
Zum Anschluss des Inline-BUH an ein ECH2O Innengerät für die DAIKIN Altherma 3 H HT oder 3 H MT.
1 x Daikin Zirkulationsbremsen SKB | 165070
Zur Vermeidung von Schwerkraft- Zirkulationen in am Speicher angeschlossenen Wasserkreisläufen, geeignet bis 95°C, zum Einbau in alle speicherseitigen Wärmetauscher-Anschlüsse außer Drucksolar-Wärmetauscher.
Typ: SKB
1 x Daikin SAS2 Schlamm- & Magnetitabscheider.
Kompakter Schlammabscheider mit Ablasshahn, Einbau waagerecht und senkrecht möglich, Eingang G1-IG, Augnag G1-IG
Der Schlamm und Magentitabscheider SAS2 dient der Entfernung von Verunreinigungen, Schlamm und magnetischen Partikeln aus wasserführenden Systemen. Durch Korrosion von Metallbauteilen entstehen Rostpartikel und feinste Schlämme, die vom Wasser mitgetragen werden. Leider können diese Feststoffe zu Schaden an beweglichen Bauteilen oder zu einer Minderung der Effizienz durch Verschlammung führen. Mit dem Schlamm- und Magnetitabscheider entfernen Sie zirkulierende, magnetische und nicht magnetische Partikel. Selbst Schlämme werden aus dem Wasser gefiltert. Dies trägt zu einem sicheren Schutz von Wärmetauscher, Speicher und Pumpe bei.
Eine Installation der Abscheider fällt leicht von der Hand. Sie können die Abscheider waagerecht und senkrecht einbauen.
Die Eingangsschlüsse haben ein Gewinde von G1-IG und die Ausgangsanschlüsse ebenfalls ein Gewinde von G1-IG. Der Schlamm- und Magnetitabscheider ist kompakt und mit einem Ablasshahn ausgestattet.
1 x Daikin Überströmventil UESV 25 DN 25 mit Verschraubung in Eckform | 140116
Überströmventil mit Verschraubung in Eckform. Notwendiges Bauteil für Modelle mit Kühlfunktion, um den Mindestdurchfluss am Innengerät zu gewährleisten.
Unabhängig von fossilen Brennstoffen ist das Heizen und Kühlen der Zukunft !
Ausstattung:
Hohe effiziente Leistung bis A+++ | neues unauffälliges Design das sich nahtlos in die Umgebung integriert | nur eine Lüftereinheit mit hoher Leistungsfähigkeit | besonders leiser Betrieb 38 dB(A) auf 3 m | hervorragende Funktionsvielfalt in Kombination mit verschiedenen Innengeräten | Vorlauftemperaturen 70°C bei einer Außentemperatur von 15°C | Umweltfreundliches Kältemittel R32 in geringerer Füllmenge | Inverter Technik | Für Radiatoren geeignet | Das Außengerät entzieht der Außenluft bei -28C° noch Wärme | Einfache Installation ohne Kälteschein | Thermostat in verschiedenen Farben | Daikin Eye Zugriff von Tablett, PC oder Smart Phone | Individuelle Einstellungsmöglichkeiten
BAFA Antrag richtig ausfüllen, so einfach geht's . . . | mehr Info's zur BAFA Förderung
Technische Änderungen und Irrtümer vorbehalten ! Zwischenverkauf vorbehalten !
Der Austritt von Kältemittel trägt zum Klimawandel bei. Kältemittel mit geringerem Treibhauspotential (GWP) tragen im Fall eines Austretens weniger zur Erderwärmung bei als solche mit höherem Treibhauspotential (GWP). Ein Austreten von 1 kg dieses Kältemittels hätte somit eine dem GWP-Wert des Kältemittels entsprechend größere Auswirkungen auf die Erderwärmung als 1 kg CO2, bezogen auf hundert Jahre. Keine Arbeiten am Kältekreislauf vornehmen oder das Gerät zerlegen – stets Fachpersonal hinzuziehen.
| Produkteigenschaft | Wert |
|---|---|
| Hersteller: | Daikin |
| Kategorie: | Lagerware Waldenbuch > > > sofort versandfertig oder abholbereit |
| Artikelnummer: | 24043 |
| GTIN: | 4251459814755 |
| Energieeffizienz Heizen: | |
| Wärmepumpen | Typ: | |
| Wärmepumpen | System: | |
| BAFA-Förderung: | |
| Solarthermie bereit: | |
| BAFA SG Ready: | |
| Bivalenzfunktion: | |
| Speicher Volumen (l): | |
| WiFi/WLAN Funktion: | |
| Kühl-/Heizleistung AG: | |
| Einsatzbereich Warmwasserbereitung: | |
| Gerätetyp: | |
| Ausführung Inneneinheit: | |
| Einsatzbereich Kühlen: | |
| Schalldruckpegel min.: | |
| Einsatzbereich Heizen: | |
| Versandgewicht: | 60,00 kg |
| Artikelgewicht: | 280,00 kg |