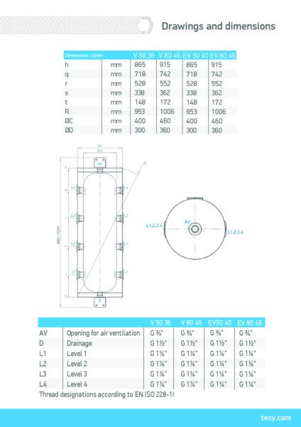
TESY V 50 40 Pufferspeicher ohne Wärmetauscher ProfiLine | 50 Liter
Serie von Pufferspeichern mit 50 Liter und 80 Liter Inhalt, in nicht emaillierter Ausführung, speziell für die Warmwasserspeicherung bzw. zur Einbindung in Heizungsanlagen. Diese Pufferspeicher sind speziell für Wärmepumpensysteme konzipiert, ohne Wärmetauscher und für die wandhängende Montage geeignet.
Energieeffizienz-Klasse: B
Produkteigenschaften:
Pufferspeicher (6 bar) zur Speicherung von Warmwasser | Hocheffiziente PU-Isolierung
Technische Änderungen und Irrtümer vorbehalten ! Zwischenverkauf vorbehalten !
Der Austritt von Kältemittel trägt zum Klimawandel bei. Kältemittel mit geringerem Treibhauspotential (GWP) tragen im Fall eines Austretens weniger zur Erderwärmung bei als solche mit höherem Treibhauspotential (GWP). Ein Austreten von 1 kg dieses Kältemittels hätte somit eine dem GWP-Wert des Kältemittels entsprechend größere Auswirkungen auf die Erderwärmung als 1 kg CO2, bezogen auf hundert Jahre. Keine Arbeiten am Kältekreislauf vornehmen oder das Gerät zerlegen – stets Fachpersonal hinzuziehen.
| Produkteigenschaft | Wert |
|---|---|
| Hersteller: | Tesy |
| Kategorie: | Pufferspeicher |
| Artikelnummer: | 20519 |
| Energieeffizienz Heizen: | |
| Ausführung Inneneinheit: | |
| Speicher Volumen (l): | |
| Versandgewicht: | 30,00 kg |
| Artikelgewicht: | 23,20 kg |