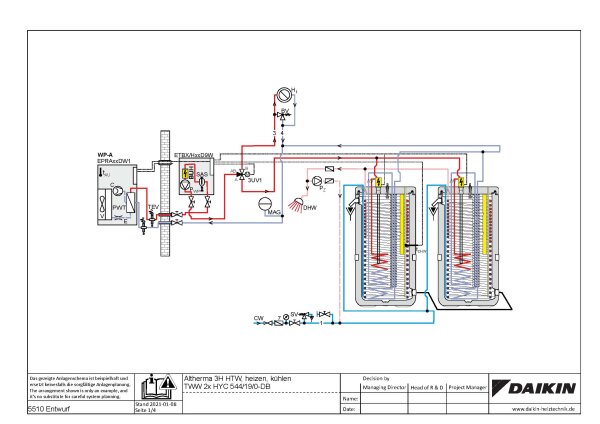
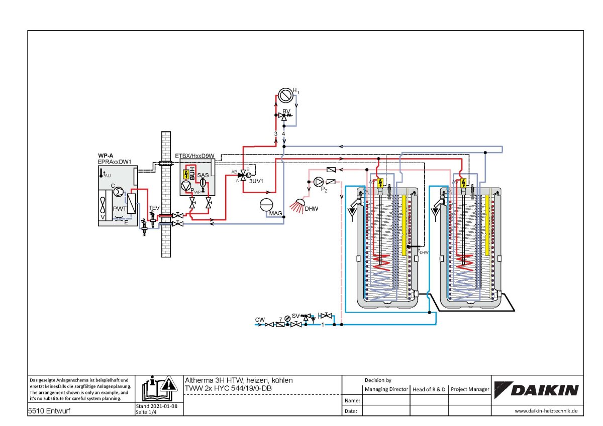
Daikin Wärmepumpen Set mit Hydromodul, Warmwasserspeicher 180 Liter und 9 kW Heizstab.
Daikin Altherma Wärmepumpe 3 H MT EPRA08EW1 | Kühlen | Heizen | 8.0 kW
Monoblock-Wärmepumpen-Außengerät als Inverter-gesteuerte Kompressor-Verdampfer-Einheit mit umweltschonendem Kältemittel R-32, wetterfestes, modernes, silbergraues Stahlblechgehäuse mit einer extrem leisen Lüftereinheit und schwarzem horizontalem Lüftungsgitter, integrierter Außentemperaturfühler.
Unabhängig von fossilen Brennstoffen ist das Heizen und Kühlen der Zukunft !
Die Wärmepumpe für Renovierung und Neubau . . .
Die Luft-Wasser-Wärmepumpe DAIKIN Altherma 3 H MT ist die optimale Lösung für die Renovierung sowie den Tausch von Gasgeräten, Ölgeräten oder sonstiger Heizsysteme , in denen eine Austrittswassertemperatur von 65 °C ausreichend ist. Mit einem Leistungsbereich in den Klassen 8 bis 12 passt DAIKIN Altherma 3 H MT auch in mittelgroße Neubauten.
Die Installation der Anlage ist dank Hydrosplit-Konzept einfach – auch für Installateure ohne Kälteschein: Das Kältemittel zirkuliert ausschließlich in dem Wärmepumpen-Außengerät, das lediglich durch wasserseitige Verbindungen mit dem Innengerät verbunden ist.
Die DAIKIN Altherma 3 H MT ist in drei Baugrößen 8, 10 und 12 erhältlich.
Hohe Leistung und Komfort
Mit einer Vorlauftemperatur von bis zu 65 °C ohne elektrische Reserveheizung ist sie für den Tausch bestehender Brennwertkessel geeignet. Ihre bereits installierten Heizkörper können Sie einfach weiternutzen. Die Inneneinheit der DAIKIN Altherma 3 H MT Luft-Wasser-Wärmepumpe ist sehr kompakt. Die Kombination mit integriertem Warmwasserspeicher ist bereits auf einer Stellfläche von nur 0,37 m² möglich.
Die DAIKIN Altherma 3 H MT ist serienmäßig mit einer integrierten Kühloption ausgestattet. In Verbindung mit einer Fußbodenheizung können Sie ohne weiteren Aufwand und zusätzliche Investitionen die Doppelfunktion für Heizen und Kühlen genießen. Dabei sind die Betriebskosten für diesen zusätzlichen Komfort gering.
Mit dem klimaschonenden Kältemittel R-32 erreicht die Wärmepumpe je nach Leistungsgröße ohne zusätzlichen Heizstab immer noch höchste Effizienz.
Garantierter Betrieb bis zu −28 °C
Daikin Altherma ist für alle Klimaregionen geeignet und bewältigt mit einem Betriebsbereich bis zu −28 °C sogar strengste Winterbedingungen
Onecta App (optional)
Regeln Sie Ihr Raumklima von jedem Standort aus über Smartphone oder Tablet.
Maximaler Komfort:
Heizen, Kühlen und Warmwasser
Flüsterleiser Betrieb der Außengeräte. Im Flüsterbetrieb nur 35 dB(A) in 3 m Abstand
Höchstleistung:
Mit bis zu 65°C Vorlauftemperatur optimal für den Austausch bestehender Brennwertkessel geeignet.
Hohe Effizienz
Herausragende Effizienz mit bis zu 70°C Systemtemperatur. 60°C Brauchwasser-Temperatur auch ohne Heizstab möglich.
Flüsterleiser Betrieb
Mit nur 35 dB(A) in drei Metern Abstand ist die DAIKIN Altherma 3 H MT besonders geräuscharm.
Einfache Installation
Kein Kälteschein notwendig. Durch den geschlossenen Kältekreislauf führen lediglich Heizungsrohre ins Gebäude.
Flexibler Einsatz
Freie Wahl zwischen Fußbodenheizung und Radiatoren. Bestehende Heizkörper können weiter genutzt werden.
Modernes Gehäuse
Die Techniker von DAIKIN haben mit den Designern zusammengearbeitet, um einen frischen Wind in das herkömmliche Außengerät zu bringen. Inspiriert durch das ausgezeichnete Design der DAIKIN Inneneinheiten, zeichnet sich dieses Außengerät durch eine attraktive Frontplatte und klare Linien aus, die sich leicht in die Umgebung einfügen.
Leistungsstarker Ventilator
Geräte mit hoher Leistung arbeiten eher mit zwei Ventilatoren, aber dieses Außengerät benötigt nur einen. Der größere Ventilator verbessert die Luftzirkulation, sodass ein niedriges Betriebsgeräusch erreicht wird.
Brandneuer Verdichter
DAIKIN Europe arbeitete mit dem DAIKIN Technology and Innovation Centre in Japan zusammen, um einen speziellen Verdichter zu entwickeln, der 70 °C warmes Wasser liefert. Diese Hochtemperatur Wärmepumpe ist zu dem die erste mit dem Kältemittel R32 betriebene Wärmepumpe ihrer Art: R32 ist ein Kältemittel mit hohem kalorischem Wirkungsgrad und niedrigem CO2 Äquivalent.
Dauerhafte Isolierung
3-Schicht-Isolierung und Gummipolster zwischen Bodenplatte und Vibrationsplatte absorbieren und isolieren die vom Verdichter während des Betriebs erzeugten Geräusche.
Effizienz und Nachhaltigkeit
Die neue Wärmepumpen-Generation von DAIKIN trägt das Bluevolution-Siegel. Damit gehört sie zu den Produkten, die mit dem zukunftsfähigen und klimaschonenden Kältemittel R-32 arbeiten. In Verbindung mit dem neuen Hocheffizienz-Kompressor erreichen die neuen Wärmepumpen mit Bluevolution Siegel die besten Effizienzwerte.
Daikin Altherma 3 H MT Hydrobox und Warmwasserspeicher ETVX12S18E9W | Heizen | Kühlen | 180 Liter | 9 kW Heizstab
Für Außengeräte Baugröße 8, 10 und 12 (nur Heizen oder Heizen / Kühlen), Innengerät mit integriertem Edelstahl-Warmwasserspeicher in zwei Größen (180 und 230 Liter). Modernes und stilvolles Design in Weiß. Betriebsbereite Auslieferung (inkl. Überströmventil) durch vormontierte Hydraulikkomponenten.
Wartungszugang zu allen wichtigen Komponenten von vorn oder von oben. Modernes Farbdisplay mit dem DAIKIN Eye.
Alle Hydraulikkomponenten inbegriffen, daher kein Bedarf an Bauteilen von Drittanbietern. Steuerplatine und Hydraulikkomponenten problemlos zugänglich vorn im Gerät untergebracht. Kleine Stellfläche von nur 595 x 625 mm.
Eine bodenstehende DAIKIN Altherma 3: für Sanierungsprojekte und größere Neubauvorhaben die ideale Wahl für Heizen, Kühlen und Warmwasserbereitung.
Kleinere Stellfläche und niedrigere Höhe
Im Vergleich zur herkömmlichen Split-Bauweise mit einer an die Wand montierten Inneneinheit und separatem Warmwasserspeicher benötigt die integrierte Inneneinheit deutlich weniger Installationsraum. Die kleine Stellfläche der Inneneinheit von nur 595 x 625 mm entspricht der Stellfläche von ganz gewöhnlichen Haushaltsgeräten.
Da sich die Rohrleitungsanschlüsse an der Oberseite des Geräts befinden, brauchen bei der Planung praktisch keine Freiräume berücksichtigt zu werden. Die erforderliche Installationshöhe beträgt weniger als 2 m: 1,65 m bei einem 180-Liter-Speicher bzw. 1,85 m bei einem 230-Liter-Speicher.
Durch ihr schlankes, modernes Design fügt sich die integrierte Inneneinheit gut neben andere Haushaltsgeräten ein: ein weiterer Vorteil dieser platzsparenden Bauform.
Das DAIKIN Eye
Das intuitive „DAIKIN Eye“ zeigt den aktuellen Status des Systems in Echtzeit an. „Blau“ ist perfekt! Wechselt die Anzeige zu „Rot“, liegt eine Störung vor.
Konfigurieren im Handumdrehen
Melden Sie sich einfach an der neuen Nutzeroberfläche an, und Sie können das Gerät in weniger als 10 Schritten umfassend konfigurieren. Sie können sogar Probezyklen starten, um die Funktionsbereitschaft des Systems zu überprüfen !
Einfache Bedienung
Mit der neuen Nutzeroberfläche sind Sie superschnell. Mit ihren nur wenigen Schaltflächen und 2 Knöpfen für die Navigation wird die Nutzeroberfläche zum Kinderspiel.
Gefälliges Design
Bei der neuen Nutzeroberfläche wurde besonderer Wert auf Intuition gelegt. Auf dem kontraststarken Farbdisplay werden Sie aussagekräftige und hilfreiche Visualisierungen finden, die Sie als Installateur oder Instandhalter schon bald nicht mehr missen möchten.
Produkteigenschaften
Einfach zu installierende Kombination aus Edelstahl Warmwasserspeicher mit 180 bzw. 230 Litern und Wärmepumpe | Alle Hydraulikkomponenten inbegriffen, daher kein Bedarf an Bauteilen von Drittanbietern | Steuerplatine und Hydraulikkomponenten problemlos zugänglich vorn im Gerät untergebracht | Kleine Stellfläche von nur 595 x 625 mm | Integrierte Reserveheizung mit 9 kW
Technische Änderungen und Irrtümer vorbehalten ! Zwischenverkauf vorbehalten !
Der Austritt von Kältemittel trägt zum Klimawandel bei. Kältemittel mit geringerem Treibhauspotential (GWP) tragen im Fall eines Austretens weniger zur Erderwärmung bei als solche mit höherem Treibhauspotential (GWP). Ein Austreten von 1 kg dieses Kältemittels hätte somit eine dem GWP-Wert des Kältemittels entsprechend größere Auswirkungen auf die Erderwärmung als 1 kg CO2, bezogen auf hundert Jahre. Keine Arbeiten am Kältekreislauf vornehmen oder das Gerät zerlegen – stets Fachpersonal hinzuziehen.
| Produkteigenschaft | Wert |
|---|---|
| Hersteller: | Daikin |
| Kategorie: | Lagerware Waldenbuch > > > sofort versandfertig oder abholbereit |
| Artikelnummer: | 20957 |
| GTIN: | 4251459801649 |
| Kältemittel Typ: | |
| Energieeffizienz Kühlen: | |
| Energieeffizienz Heizen: | |
| Absicherung: | |
| Wärmepumpen | System: | |
| BAFA-Förderung: | |
| BAFA SG Ready: | |
| Spannungsversorgung Aussengerät: | |
| Kältemittel GWP-Wert: | |
| WiFi/WLAN Funktion: | |
| Kühl-/Heizleistung AG: | |
| HZG-VL/RL Anschluss: | |
| Speicher Volumen (l): | |
| Gerätetyp: | |
| Ausführung Inneneinheit: | |
| Schalldruckpegel min.: | |
| Einsatzbereich Kühlen: | |
| Einsatzbereich Heizen: | |
| Versandgewicht: | 60,00 kg |
| Artikelgewicht: | 227,00 kg |