Daikin Altherma 3 H HT Wärmepumpen Set Außengerät | Hydromodul | Trinkwasserspeicher | Heizen & Kühlen | 500 Liter | 400 Volt | Heizstab 9.0 kW | Bivalenz.
Daikin Altherma Wärmepumpe 3 H HT EPRA18DW17 | 400 Volt
Mit diesem Außengerät erhalten Sie ein hocheffizientes energetisches Gerät das mit einem Scroll-Kompressor und Invertertechnik ausgestattet ist. Das Gerät ist in seiner Anwendung für die Praxis selbst bei hohen minus Graden von -28°C geeignet und extrahiert selbst dann noch Wärme aus der Außenluft.
Durch diese Bauweise sparen Sie Energie und schonen die Umwelt. Mit dem neuestem umweltfreundlichen Kältemittel R-32 erhalten Sie ein Gerät was innovativ an unsere Zukunft denkt. Das moderne Gehäuse in Silber/Schwarz mit nur einer Lüftereinheit ist zudem ein angenehmer Blickfang und punktet mit seinem besonders leisem Betrieb.
Das Gerät ist in Kombination mit verschiedenen Inneneinheiten erhältlich und somit in seiner Flexibilität kaum zu Toppen, da ist für jeden Geschmack und Leistung was dabei.
Eine Steuerung von überall macht Sie unabhängig. Bedienen Sie Ihre Heizung und Kühlung allerorts vom PC, Laptop oder Smart Phone.
DAIKIN Altherma 3 H HT, AG 14kW Invertergesteuerte Luft-Wasser-Wärmepumpe mit erweitertem Modulationsbereich in Monoblock-Ausführung. Mit nur 35 dB(A) (in 3 Metern Abstand) im reduzierten Nachtbetrieb ist das Gerät flüsterleise. Für Radiatoren geeignet (70°C Vorlauftemperatur bei -15°C Außentemperatur).
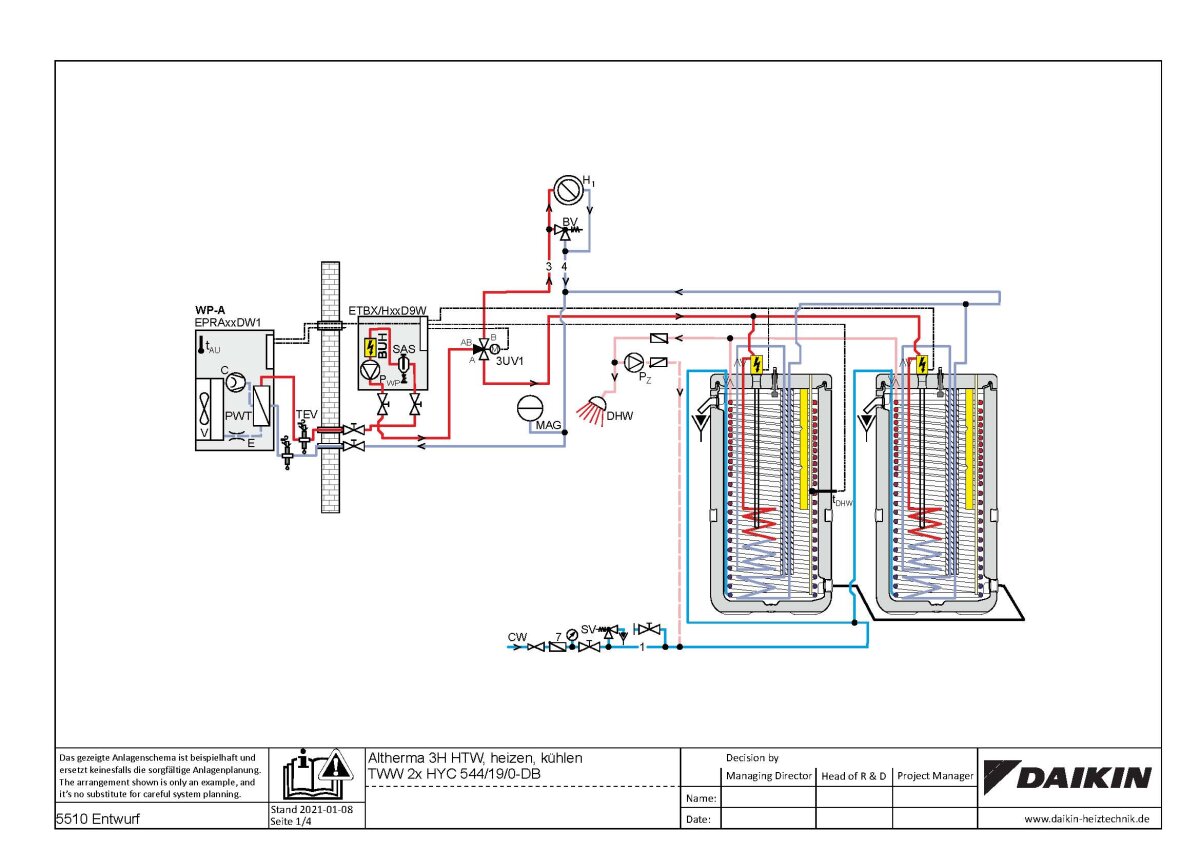
Brauchwassertemperaturen von über 60°C ermöglichen eine thermische Desinfektion allein durch den Wärmepumpenbetrieb.
Kombinierbar mit den Inneneinheiten DAIKIN Altherma 3 H HT ECH2O, DAIKIN Altherma 3 H HT F und DAIKIN Altherma 3 H HT W.
Mit der Daikin Altherma Hydrosplit-Bauweise sind Sie unabhängig und benötigen keinen Kälteschein. Die Daikin Altherma Serie ist hoch modern & Technisch fein abgestimmt. Durch diese Bauweise sparen Sie Energie & schonen unsere Umwelt.
Durch das neue und umweltfreundlichen Kältemittel R-32 erhalten Sie ein Gerät was innovativ an unsere Zukunft denkt. Das moderne Gehäuse in Silber/Schwarz mit nur einer Lüftereinheit ist außerdem ein angenehmer Blickfang und überzeugt mit seinem besonders leisen Betrieb.
Das Gerät ist in Kombination mit verschiedenen Inneneinheiten erhältlich und somit in seiner Flexibilität kaum zu überbieten, da ist für jede Anforderung und Leistung was dabei. Eine Steuerung von überall macht Sie unabhängig.
Bedienen Sie Ihre Heizung und Kühlung allerorts vom PC, Laptop oder Smart Phone per W-LAN oder Internet, über das Innengerät.
Garantierter Betrieb bis zu −28°C
Daikin Altherma ist für alle Klimaregionen geeignet und bewältigt mit einem Betriebsbereich bis zu −28°C sogar strengste Winterbedingungen
Unabhängig von fossilen Brennstoffen ist das Heizen und Kühlen der Zukunft !
Ausstattung:
Hohe effiziente Leistung bis A+++ | neues unauffälliges Design das sich nahtlos in die Umgebung integriert | nur eine Lüftereinheit mit hoher Leistungsfähigkeit | besonders leiser Betrieb 38 dB(A) auf 3 m | hervorragende Funktionsvielfalt in Kombination mit verschiedenen Innengeräten | Vorlauftemperaturen 70°C bei einer Außentemperatur von 15°C | Umweltfreundliches Kältemittel R32 in geringerer Füllmenge | Inverter Technik | Für Radiatoren geeignet | Das Außengerät entzieht der Außenluft bei -28°C noch Wärme | Einfache Installation ohne Kälteschein | Thermostat in verschiedenen Farben | Daikin Eye Zugriff von Tablett, PC oder Smart Phone | Individuelle Einstellungsmöglichkeiten
Dakin Altherma 3 H HT W Hydrobox ETBX16E9W7 mit Heizstab 9.0 kW | Heizen | Kühlen | 400 Volt
Für Außengeräte Baugröße 14, 16 und 18 (Heizen / Kühlen). Hydraulisch ausgerüstet mit Hocheffizienzpumpe, Ausdehnungsgefäß, Überströmventil, Sicherheitsbaugruppe mit Manometer, Volumenstromsensor, Füll- und Entleerungshähnen sowie Schlamm- und Magnetitabscheider. Elektrische Ausrüstung mit Lastschützen für Elektro-Zusatzheizungen 9 kW, inkl. Bedien- und Anzeigeeinheit MMI-2.
Das Daikin Eye mit übersichtlichem Farbdisplay, ermöglicht eine Steuerung von überall, ob Smartphone, Tablett oder PC steuern Sie Ihr Zuhause von wo und wann immer Sie wollen. Eine zusätzliche Reserve-Heizung garantiert zuverlässige und effiziente Heizleistung.
Mit den platzsparenden Maßen von 840 x 440 x 390 mm ist dieses Wandgerät einfach überall unter zu bringen und fügt sich nahtlos in jede Umgebung ein. Alle Hydraulikkomponenten haben einen leichten Zugriff von Vorne und sind so leicht zu erreichen. Besonders geeignet ist dieses Gerät zur Kombination mit einem Wärmespeicher. Genießen Sie die Flexibilität das dieses Wandgerät mit sich bringt !
Onecta App | WiFi | optional
Regeln Sie Ihr Raumklima von jedem Standort aus über Smartphone oder Tablet.
Eigenschaften
Da sämtliche Hydraulikkomponenten bereits enthalten sind, keine Komponenten anderer Hersteller erforderlich. | Aufgrund der kompakten Abmessungen, und da seitlich nahezu keine Freiräume belassen werden müssen, ist nur ein kleiner Installationsraum erforderlich. | Das schnittige Design des Geräts fügt sich unauffällig in das Ensemble anderer Haushaltsgeräte ein. | Kombinieren Sie dieses Gerät mit einem Speicher aus Edelstahl oder mit einem ECH2O Wärmespeicher. | Schneller Auslegung in 9 Schritten anhand eines Assistenten mit Farb-Benutzeroberfläche in hoher Auflösung
DAIKIN Altherma ST 544/19/0-DB Warmwasserspeicher | EKHWP54419B | 500 Liter | Bivalenz
Leistungsstarker 500 Liter Schichtspeicher zur Warmwasserbereitung und Heizungsunterstützung.
Solarkombination: Drain-Back | Solare Heizungsunterstützung
Warum DAIKIN Altherma ST ?
Effizient, komfortabel und hygienisch. Die Wärmespeicher sind nach den neuesten wärmetechnischen und wasserhygienischen Anforderungen entsprechend konzipiert. Aufgrund ihres Konstruktionsprinzips und der optimalen Speicherschichtung liefern die DAIKIN Altherma ST Wärmespeicher jederzeit hygienisch einwandfreies Warmwasser.
Warmes Wasser in höchster Qualität: die DAIKIN Wärmespeicher Altherma ST
Kunststoff-Wärmespeicher mit Edelstahl-Wellrohr-Wärmetauscher | Speichervolumen 300 bzw. 500 Liter | Kombination aus Warmwasserspeicher und Durchlauf-Wassererwärmer mit Frischwassertechnologie | Optimale Wasserhygiene | Integrierte Solaroption | Solar-Wärmetauscher für Drucksolarkombination | Zusammenschluss von Speicherbatterien möglich - ideal bei großem Warmwasserbedarf
Unser Lebensmittel Nr. 1 – sauberes Wasser
Frisches warmes Wasser ist für jeden Haushalt unentbehrlich, ob zum Duschen, Baden, Kochen oder Händewaschen. Warmes Wasser in der gewünschten Menge und Temperatur zur Verfügung zu haben, ist ein wesentlicher Bestandteil unseres modernen Lebens. Dass dieses Wasser dabei auch hygienisch ist, wird als selbstverständlich vorausgesetzt. Konventionelle Wassererwärmer können diese Anforderungen oft nicht erfüllen. Deshalb haben wir unser besonderes Augenmerk auf die Wasserhygiene gerichtet und eine passgenaue Lösung entwickelt !
Hygienische Warmwasserbereitung
Der DAIKIN Altherma ST Wärmespeicher ist die ideale Ergänzung um Energie einzusparen. Und bei den Wärmepumpen mit ECH2O Technologie kommt die DAIKIN Speichertechnik zum Einsatz. In Verbindung mit dem Solarsystem DAIKIN Solaris wird die kostenlose Kraft der Sonne hocheffektiv zur Warmwasserbereitung und zur Heizungsunterstützung genutzt. Diese Kombination überzeugt durch höchste Energieeffizienz dank geringster Wärmeverluste, perfekte Wasserhygiene und uneingeschränkten Warmwasserkomfort. Der DAIKIN Altherma ST Wärmespeicher darf nach DIN 1988-200 von 60°C auf 50°C abgesenkt werden.
Energiesparend
Innen- und Außenwand des Speicherbehälters bestehen aus stoß- und schlagfestem Polypropylen, der Zwischenraum ist hochwärmedämmend ausgeschäumt. Daraus resultieren sehr gute Wärmedämmwerte und minimale Oberflächenverluste. Das schont die Umwelt und Ihren Geldbeutel.
Verkalkungsarm
Der Speicherbehälter wird bei Inbetriebnahme mit Leitungswasser gefüllt, welches während des Betriebes nicht ausgetauscht wird. So kann nur der in dieser Wassermenge enthaltene Kalk ausfallen. Alle Wärmetauscherrohre bleiben kalkfrei, ebenso der als Option verfügbare Elektroheizstab. Langlebig und sicher: Durch die verwendeten Materialien (Kunststoff und Edelstahl) ist der DAIKIN Altherma ST Wärmespeicher besonders langlebig.
Auch für den großen Warmwasserbedarf
Der DAIKIN Altherma ST Wärmespeicher lässt sich flexibel an Ihren individuellen Warmwasserbedarf anpassen. Dazu werden ggf. mehrere Wärmespeicher modular so zusammengeschlossen, dass eine gleichmäßige Leistungsverteilung erreicht wird. Das erlaubt Leistungskapazitäten in nahezu beliebiger Größe.
Technische Änderungen und Irrtümer vorbehalten ! Zwischenverkauf vorbehalten !
Der Austritt von Kältemittel trägt zum Klimawandel bei. Kältemittel mit geringerem Treibhauspotential (GWP) tragen im Fall eines Austretens weniger zur Erderwärmung bei als solche mit höherem Treibhauspotential (GWP). Ein Austreten von 1 kg dieses Kältemittels hätte somit eine dem GWP-Wert des Kältemittels entsprechend größere Auswirkungen auf die Erderwärmung als 1 kg CO2, bezogen auf hundert Jahre. Keine Arbeiten am Kältekreislauf vornehmen oder das Gerät zerlegen – stets Fachpersonal hinzuziehen.
| Produkteigenschaft | Wert |
|---|---|
| Hersteller: | Daikin |
| Kategorie: | Lagerware Waldenbuch > > > sofort versandfertig oder abholbereit |
| Artikelnummer: | 23229 |
| GTIN: | 4251459814564 |
| Energieeffizienz Kühlen: | |
| Energieeffizienz Heizen: | |
| Wärmepumpen | Typ: | |
| Absicherung: | |
| BAFA-Förderung: | |
| Wärmepumpen | System: | |
| BAFA SG Ready: | |
| Spannungsversorgung Aussengerät: | |
| Speicher Volumen (l): | |
| WiFi/WLAN Funktion: | |
| Ausführung Außengerät: | |
| Gerätetyp: | |
| Kühl-/Heizleistung AG: | |
| Fernbedienung Typ: | |
| Einsatzbereich Kühlen: | |
| Schalldruckpegel min.: | |
| Einsatzbereich Heizen: | |
| Versandgewicht: | 90,00 kg |
| Artikelgewicht: | 300,00 kg |