Daikin Set | Hydrobox | Wärmepumpe | Heizen.
Daikin Altherma Wärmepumpe 3 H HT EPRA17DW17 | 400 Volt
Mit diesem Außengerät erhalten Sie ein hocheffizientes energetisches Gerät das mit einem Scroll-Kompressor und Invertertechnik ausgestattet ist. Das Gerät ist in seiner Anwendung für die Praxis selbst bei hohen minus Graden von -28°C geeignet und extrahiert selbst dann noch Wärme aus der Außenluft.
Durch diese Bauweise sparen Sie Energie und schonen die Umwelt. Mit dem neuestem umweltfreundlichen Kältemittel R-32 erhalten Sie ein Gerät was innovativ an unsere Zukunft denkt. Das moderne Gehäuse in Silber/Schwarz mit nur einer Lüftereinheit ist zudem ein angenehmer Blickfang und punktet mit seinem besonders leisem Betrieb.
Das Gerät ist in Kombination mit verschiedenen Inneneinheiten erhältlich und somit in seiner Flexibilität kaum zu Toppen, da ist für jeden Geschmack und Leistung was dabei.
Eine Steuerung von überall macht Sie unabhängig. Bedienen Sie Ihre Heizung und Kühlung allerorts vom PC, Laptop oder Smart Phone.
DAIKIN Altherma 3 H HT, AG 14kW Invertergesteuerte Luft-Wasser-Wärmepumpe mit erweitertem Modulationsbereich in Monoblock-Ausführung. Mit nur 35 dB(A) (in 3 Metern Abstand) im reduzierten Nachtbetrieb ist das Gerät flüsterleise. Für Radiatoren geeignet (70°C Vorlauftemperatur bei -15°C Außentemperatur).
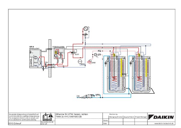
Brauchwassertemperaturen von über 60°C ermöglichen eine thermische Desinfektion allein durch den Wärmepumpenbetrieb.
Kombinierbar mit den Inneneinheiten DAIKIN Altherma 3 H HT ECH2O, DAIKIN Altherma 3 H HT F und DAIKIN Altherma 3 H HT W.
Mit der Daikin Altherma Hydrosplit-Bauweise sind Sie unabhängig und benötigen keinen Kälteschein. Die Daikin Altherma Serie ist hoch modern & Technisch fein abgestimmt. Durch diese Bauweise sparen Sie Energie & schonen unsere Umwelt.
Durch das neue und umweltfreundlichen Kältemittel R-32 erhalten Sie ein Gerät was innovativ an unsere Zukunft denkt. Das moderne Gehäuse in Silber/Schwarz mit nur einer Lüftereinheit ist außerdem ein angenehmer Blickfang und überzeugt mit seinem besonders leisen Betrieb.
Das Gerät ist in Kombination mit verschiedenen Inneneinheiten erhältlich und somit in seiner Flexibilität kaum zu überbieten, da ist für jede Anforderung und Leistung was dabei. Eine Steuerung von überall macht Sie unabhängig.
Bedienen Sie Ihre Heizung und Kühlung allerorts vom PC, Laptop oder Smart Phone per W-LAN oder Internet, über das Innengerät.
Garantierter Betrieb bis zu −28°C
Daikin Altherma ist für alle Klimaregionen geeignet und bewältigt mit einem Betriebsbereich bis zu −28°C sogar strengste Winterbedingungen
Unabhängig von fossilen Brennstoffen ist das Heizen und Kühlen der Zukunft !
Ausstattung:
Hohe effiziente Leistung bis A+++ | neues unauffälliges Design das sich nahtlos in die Umgebung integriert | nur eine Lüftereinheit mit hoher Leistungsfähigkeit | besonders leiser Betrieb 38 dB(A) auf 3 m | hervorragende Funktionsvielfalt in Kombination mit verschiedenen Innengeräten | Vorlauftemperaturen 70°C bei einer Außentemperatur von 15°C | Umweltfreundliches Kältemittel R32 in geringerer Füllmenge | Inverter Technik | Für Radiatoren geeignet | Das Außengerät entzieht der Außenluft bei -28°C noch Wärme | Einfache Installation ohne Kälteschein | Thermostat in verschiedenen Farben | Daikin Eye Zugriff von Tablett, PC oder Smart Phone | Individuelle Einstellungsmöglichkeiten
Daikin Altherma 3 H HT ECH2O Hydrobox ETSH16P50E | 500 Liter
Das Daikin Altherma 3 R F Standgerät sieht nicht nur schön aus, es ist auch durchdacht konzipiert. Da sämtliche Rohrleitungen oben am Gerät angeschlossen werden, ist für die Installation kaum Seitenabstand erforderlich. Zudem sind alle wichtigen Gerätekomponenten so eingebaut, dass sie bequem von vorne zugänglich sind - das spart Zeit und Kosten bei der Inbetriebnahme und Wartung.
Für Außengeräte 14, 16 und 18 kW. Inneneinheit mit integriertem Wärmespeicher für die hygienische Warmwasserbereitung im Durchlaufprinzip. Hydraulisch ausgerüstet mit Hocheffizienzpumpe, Umschaltventile für Warmwasser und Heizen/Kühlen mit integrierter Rücklauftemperaturbegrenzung für Solaranwendung, integrierter Überströmung, Sicherheitsbaugruppe mit elektronischem Manometer und Sicherheitsventil, Durchflusssensor sowie Füll- und Entleerungshähnen.
Frisches Warmwasser
Die Struktur des Wärmespeichers gewährleistet eine optimale Wasserhygiene und vermindert das Risiko von Bakterien und Legionellen. Seien Sie versichert, dass Ihr Warmwasser frisch und sicher ist.
Solar-bereit
Nutzen Sie den Vorteil von Solarenergie. Schließen Sie Ihren Warmwasserspeicher einfach an Solarkollektoren auf dem Dach an.
Integrierte Solareinheit für höchsten Komfort bei Heizen, Warmwasser und Heizen. | Wartungsfreier Speicher: keine Korrosion, keine Anode, kein Kesselstein oder keine Kalkablagerungen und keine Wasserverluste durch Sicherheitsventil. | Maximale Nutzung an erneuerbarer Energie: Wärmepumpentechnologie zum Heizen und Solarunterstützung für Raumheizen und Warmwassererzeugung. | Frischwasserprinzip: hygienisches Wasser, keine thermische Legionellen-Desinfektion erforderlich. | Schneller Auslegung in 9 Schritten anhand eines Assistenten mit Farb-Benutzeroberfläche in hoher Auflösung. | Online-Regler: Regelung Ihres Innengeräts von jedem Ort aus über Smartphone, Laptop, PC, Tablet oder Touchscreen. | Frisches Warmwasser: Die Struktur des Wärmespeichers gewährleistet eine optimale Wasserhygiene und vermindert das Risiko von Bakterien und Legionellen. Seien Sie versichert, dass Ihr Warmwasser frisch und sicher ist.
Technische Änderungen und Irrtümer vorbehalten ! Zwischenverkauf vorbehalten !
Der Austritt von Kältemittel trägt zum Klimawandel bei. Kältemittel mit geringerem Treibhauspotential (GWP) tragen im Fall eines Austretens weniger zur Erderwärmung bei als solche mit höherem Treibhauspotential (GWP). Ein Austreten von 1 kg dieses Kältemittels hätte somit eine dem GWP-Wert des Kältemittels entsprechend größere Auswirkungen auf die Erderwärmung als 1 kg CO2, bezogen auf hundert Jahre. Keine Arbeiten am Kältekreislauf vornehmen oder das Gerät zerlegen – stets Fachpersonal hinzuziehen.
| Produkteigenschaft | Wert |
|---|---|
| Hersteller: | Daikin |
| Kategorie: | Lagerware Waldenbuch > > > sofort versandfertig oder abholbereit |
| Artikelnummer: | 18308 |
| GTIN: | 4251459800352 |
| Energieeffizienz Heizen: | |
| Wärmepumpen | System: | |
| BAFA-Förderung: | |
| Solarthermie bereit: | |
| BAFA SG Ready: | |
| Bivalenzfunktion: | |
| Speicher Volumen (l): | |
| WiFi/WLAN Funktion: | |
| Einsatzbereich Warmwasserbereitung: | |
| Kühl-/Heizleistung AG: | |
| Gerätetyp: | |
| Ausführung Inneneinheit: | |
| Schalldruckpegel min.: | |
| Einsatzbereich Heizen: | |
| Versandgewicht: | 60,00 kg |
| Artikelgewicht: | 245,00 kg |